产品详情

热销产品查看更多>>
齿轮减速电机100W-3700W
厦门东历卧式减速电机
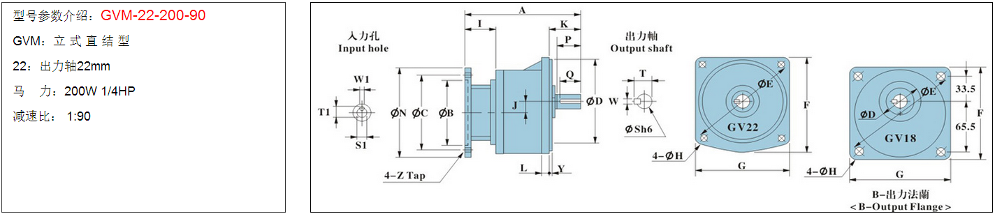
厦门东历立式减速电机
台湾东力减速电机
台湾东力减速电机
厦门东历直角减速电机TL4060
厦门东历直角减速机TL4070
厦门东历直角减速机TL5080
厦门东历GA蜗轮减速电机
厦门东历自配型减速机
GAI蜗轮减速电机
TL GEAR MOTOR SS-31 40W厦门东历电机用分离型调速器110V控制器
TL调速电机M540-401减速机5GN-25K厦门东历马达SPEED CONTROL齿箱
台湾东力直角减速机
厦门东历齿轮减速机TL GEAR RETARDER 5GN-25K马达 齿箱 电机牙箱
TL厦门东历立式齿轮减速电机PF18-0100-5S3 YS100W-4P三相马达






在线客户-蒋经理
在线客户-蒋先生

